GO TO TOP CONTACT US

Products

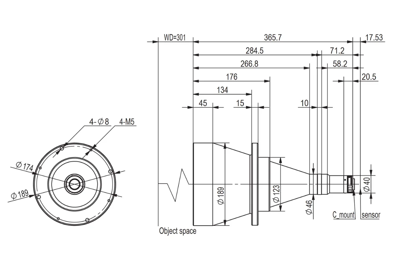
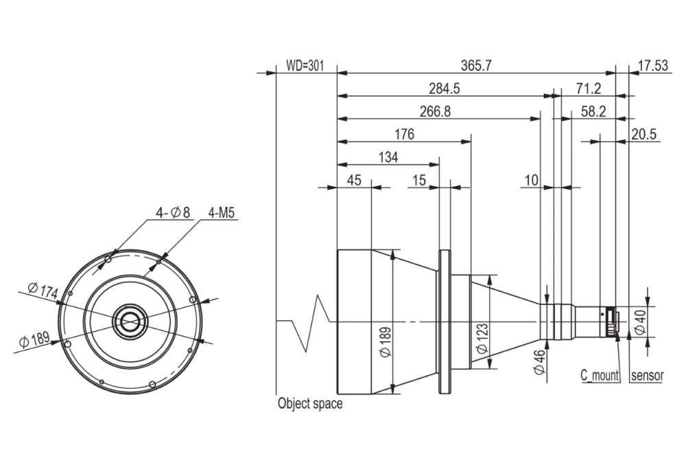
JC-CTH11-0123X-301

1.1″ | 0.123X | F6.18 | ±10mm – Bi-Telecentric Lens


 

Features

  • Superior bi-telecentric design for exceptional image quality
  • FOV from 26mm to 300mm to meet diverse FOV needs
  • Supports various C-mount industrial cameras from 1/2.5” to 1.1”
  • Large aperture,high telecentricity, ultra-low distortion, and ultra-wide depth of field to meet the requirements of high-end systems

 

 

Suitable for semiconductor inspection, transparent material inspection, glass bottle defect recognition, high-speed measurement and other industry applications, online screening of lithium electrode coating defects.

 


 

Resources

Download Datasheet(PDF)

 

 

Inquiry Now
Share:
Description

Description

Product Parameter

 

Model No. JC-CTH11-0123X-301
Optical Structure Bi-Telecentric
Magnification 0.123X
Object FOV Φ150mm
Working Distance 301±4mm

CCD Size Φ18.4(1.1”)mm
F No. F6.18
Telecentricity <0.1°
Distortion <0.1%
Image MTF30 >140lp/mm
Depth of Field ±10mm
Conjugate Distance 684.2mm
FOV Range 14.13×10.6 with IMX304 114.8mmx86.1mm
Mount C-Mount
Length 365.7mm
Parallel(Telecentric)Light Source VCL-150-xW-y
Beam Diameter 150mm

Dimensions