GO TO TOP CONTACT US

Products

JC-C0520-M12

1/1.7″  | 5mm | F2.0±10%| M12-Mount | – 12MP M12 Lens


 

Features

  • 5mm 12MP M12 lens
  • FOV: 121.4°x90°
  • TTL: 35.45mm
  • Compatible with 1/1.7″ , 1/2.5″ and 1/3″ image sensors
  • Various filters can be installed

 

 

Application areas include panoramic imaging, security monitoring, automotive, CCTV, intelligent AI, drones, etc.

 


 

Resources
Download Datasheet(PDF)

 

 

Inquiry Now
Category: Tags: , Brand:
Share:
Description

Description

Product Parameter

 

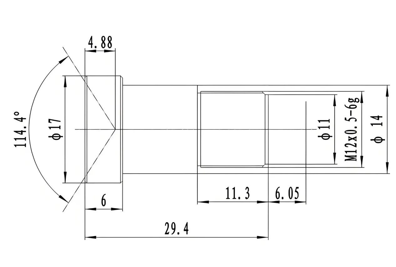
Model No. JC-C0520-M12
Focal Length 5mm
Image Circle 1/1.7”
Resolution(Center MTF) 12MP
F No. F2.0±10%
Mount M12*0.5
Sensor 1/1.7” 1/2.5” 1/3”
FOV D 121.4° 87° 70.9°
H 90° 68.6° 55.5°
V 65° 49.7° 41.2°
TV Distortion -43.70%
CRA ≤12.72°
Dimension Φ17×29.4mm
TTL 35.45±0.3mm
Working Distance 0.3m~Inf.
Lens Construction Aluminum Alloy (Anodized Black)+ Glass
OBFL 6.39±0.3mm
MBFL 6.05±0.3mm
Weight 12±1g
Wavelength Coverage 400~1000nm
Operation Aperture Fixed
Focus Manual
Zoom Fixed

Dimensions