GO TO TOP CONTACT US

Products

JC-CTH095X11-400

400mm±3% | 0.095X | F6.5 | 79.4mm – Bi-Telecentric Lens


 

Features

  • Designed for high-speed, high-precision industrial inspection needs.
  • Bi-telecentric design eliminates perspective error.
  • Ultra-low distortion, adaptable to large target surfaces, and uniform illumination.
  • Shockproof construction and multi-interface compatibility ensure strong compatibility.

 

 

Suitable for lithium battery manufacturing, printing inspection, metal processing and other industry applications.

 


 

Resources
Download Datasheet(PDF)

icon-stp-20 Drawing Data(STEP)

 

 

Inquiry Now
Share:
Description

Description

Product Parameter

 

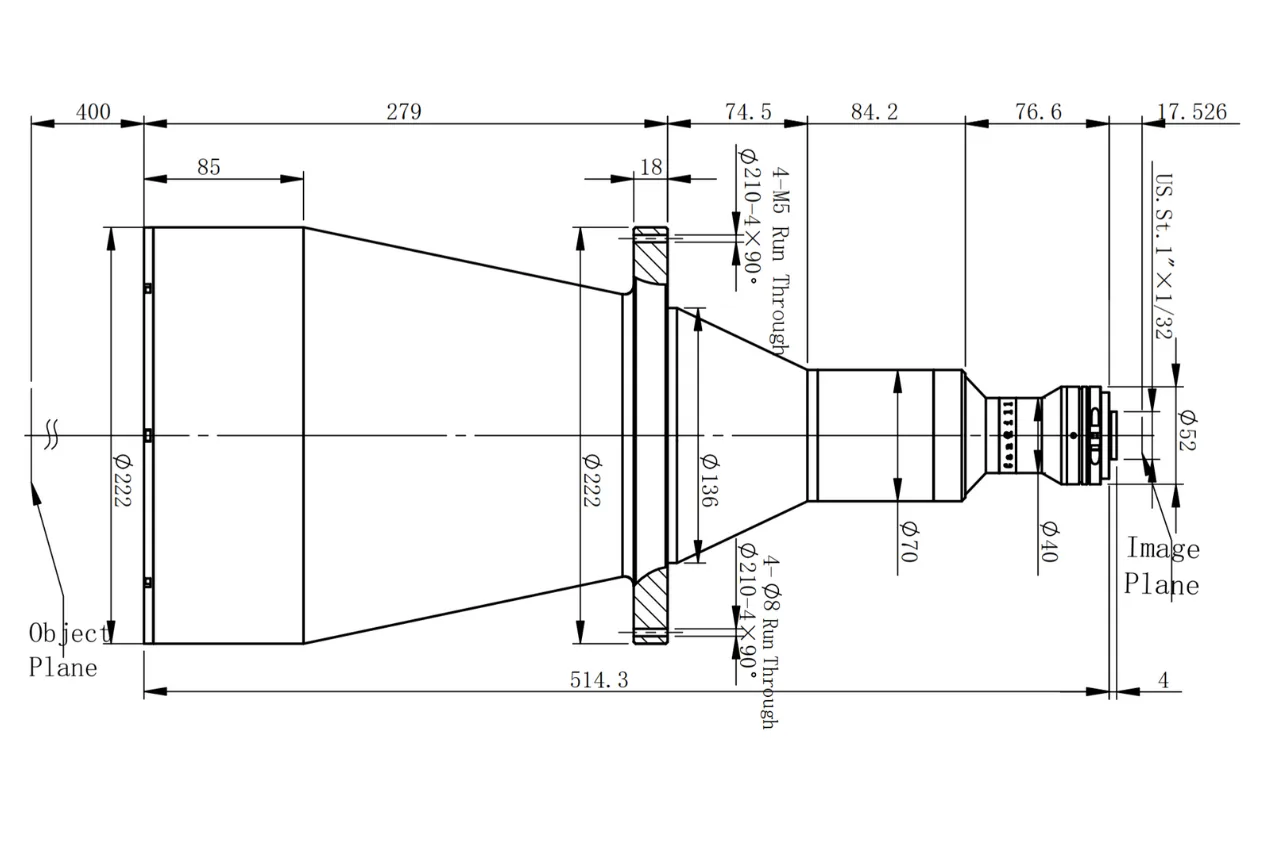
Model No. JC-CTH095X11-400
Optical Structure Bi-Telecentric
Magnification 0.095
Object FOV Φ194.7mm
Image FOV Φ18.5mm
Working Distance 400mm±3%
Telecentricity <0.04°(0.06°)
Depth of Field 79.4mm
F No. F6.5
Resolution 45.16μm
Image MTF >0.3@160 lp/mm
Optical Distrotion <0.045%(0.061%)
Measurement Range Sensor Specification Sensor Size FOV Range
1.1” 14.2mmx10.4mm 149.5mmx109.5mm
1” 13.1mmx8.8mm 137.9mmx92.6mm
2/3” 8.45mmx7.07mm 88.9mmx74.4mm
1/1.8” 7.2mmx5.3mm 75.8mmx55.8mm

Dimensions