GO TO TOP CONTACT US

Products

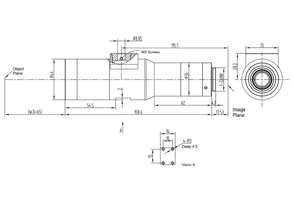
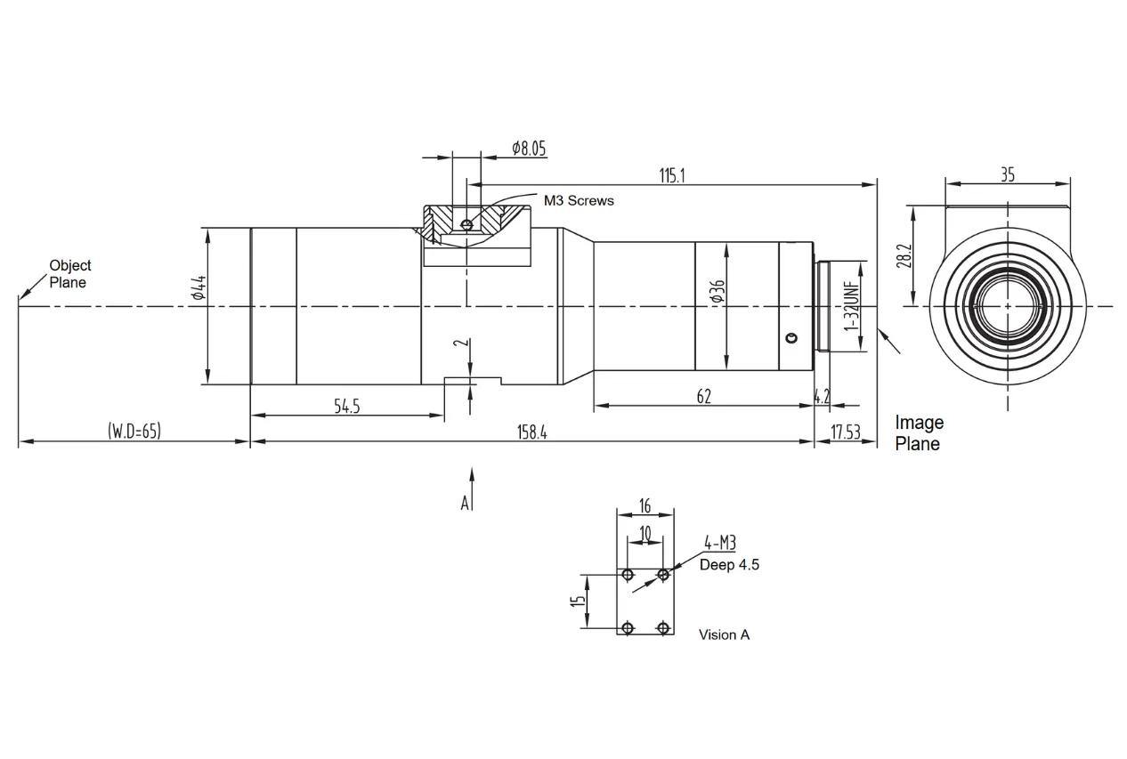
JC-CTH11-3X-65C

1.1″ | 3X | F9.5 | 0.4mm@3.45μm – Object Telecentric Lens


 

Features

  • Perfect image quality, supports 10MP digital cameras;
  • High contrast, low distortion, ultra-clear;
  • Full range of object-side telecentric fixed-magnification lenses, with multiple working distances/magnifications/CCDs to choose from;
  • Widely used in high-precision visual positioning and other applications.

 

 

Suitable for semiconductor inspection, transparent material inspection, glass bottle defect recognition, high-speed measurement and other industry applications, online screening of lithium electrode coating defects.

 


 

Resources

Download Datasheet(PDF)

 

 

Inquiry Now
Share:
Description

Description

Product Parameter

Model No. JC-CTH11-3X-65C
Optical Structure Object Telecentric
Magnification 3X
O/I 240.9mm
Working Distance 65mm

 

F No. F9.5
Telecentricity <0.2°
Optical Distortion <0.05%
Resolution 0.3>@100lp/mm
Depth of Field 0.04mm@3.45μm
NA 0.156
Mount C-Mount
Measurement Range Sensor Specification Sensor Size Object FOV
2/3” 8.8mmx6.4mm 2.9mmx2.1mm
1.1” 14.1mmx10.3mm 4.7mmx3.4mm

Dimensions