GO TO TOP CONTACT US

Products

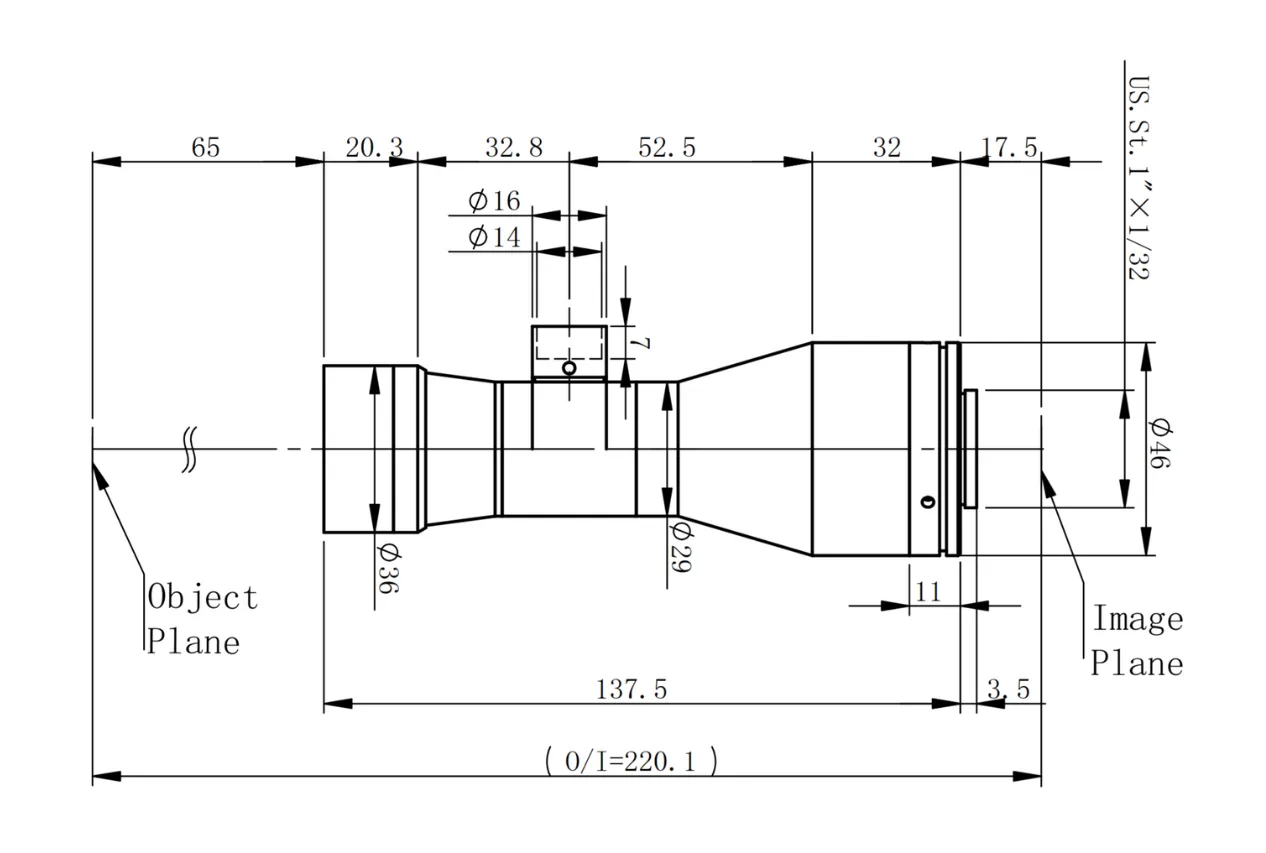
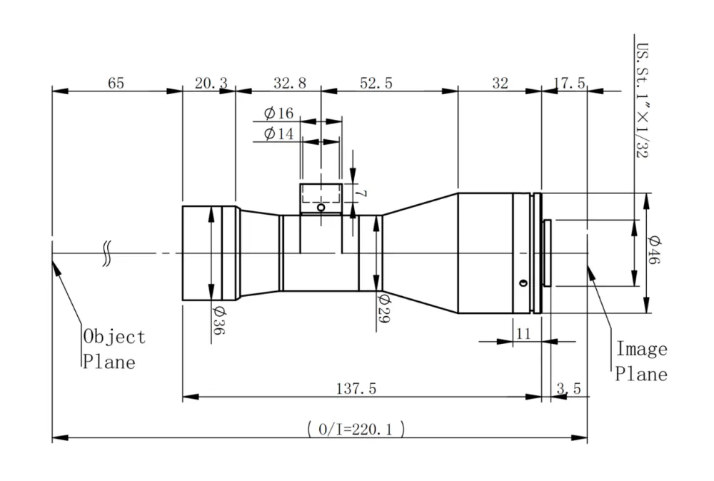
JC-CTH11075X-65C

Φ23.8mm | 0.74X | F8.5 | 1.7mm – Bi-Telecentric Lens


 

Features

  • Large image area, high-pixel imaging system design
  • Wide field of view to meet various field-of-view requirements
  • Large aperture, high telecentricity, ultra-low distortion, and exceptional depth of field meet high-end system requirements

 

 

Suitable for semiconductor inspection, transparent material inspection, glass bottle defect recognition, high-speed measurement and other industry applications, online screening of lithium electrode coating defects.

 


 

Resources

Download Datasheet(PDF)

 

 

Inquiry Now
Share:
Description

Description

Product Parameter

 

Model No. JC-CTH11075X-65C
Optical Structure Bi-Telecentric
Magnification 0.74X
Object FOV Φ23.8mm
Image FOV Φ17.6mm
Working Distance 65mm±3%
Telecentricity <0.28°
Depth of Field 1.7mm
F No. F8.5
Resolution 7.6μm
Image MTF >0.3@120lp/mm
Optical Distortion <0.060%
Measurement Range Sensor Specification Sensor Size FOV
1.1” 14.2mmx10.4mm 19.2mmx14.1mm
2/3” 8.45mmx7.07mm 11.4mmx9.6mm
1/2” 6.4mmx4.8mm 8.6mmx6.5mm
1/3” 4.8mmx3.6mm 6.5mmx4.9mm

Dimensions