JC-LSE16K-0.5X-M90135
135mm | 0.47X-0.52X | F3.5 | M72 – 16K Large Format Line Scan Lens
Features
- Athermalization: -20℃~+60℃ without defocusing
- Better brightness uniformity at the center and edges of the image
- Ultra-low optical distortion
- High-resolution performance: 5μm pixel imaging with ≤2 pixel gaps in image transition
- Anti-vibration focusing and securing mechanism
- Adapter rings and extension tubes are compatible with the camera’s mount, rear flange length, and magnification range.
With high resolution, high-speed scanning capability and large field of view, it provides efficient solutions for semiconductor inspection, photovoltaic industry, FPD inspection, factory automation vision tasks such as 3D-AOI and SPI, continuous material inspection, medical imaging, and image recognition and analysis in scientific research.
Resources
Download Datasheet(PDF)
Inquiry Now
Description
Description
Product Parameter
*Line scan and large format lenses need to be matched with adapter rings and extension rings according to the camera sensor size, camera mount thread size and shooting field of view. Please contact our sales staff to confirm the parameters. Thank you!

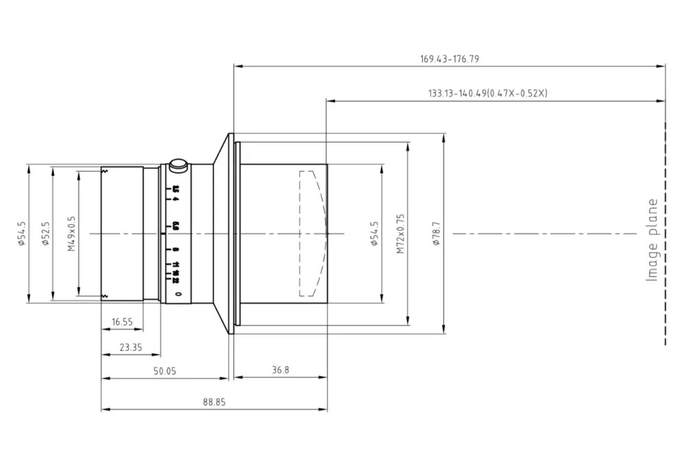
Dimensions
