JC-LSE6040HI-M72-19.55
60mm | F4.0 | 200mm~Inf. | M72 – 8K Large Format Line Scan Lens
Features
- Large image plane: Image circle φ60mm
- Athermal: No blurring at -20℃~+60℃
- Long focusing range: 200mm~infinity
- Better brightness uniformity at the center and edges of the image from the aperture
- Shock-resistant focusing and securing mechanism
- Supports 850nm wavelength imaging
With high resolution, high-speed scanning capability and large field of view, it provides efficient solutions for semiconductor inspection, photovoltaic industry, FPD inspection, factory automation vision tasks such as 3D-AOI and SPI, continuous material inspection, medical imaging, and image recognition and analysis in scientific research.
Resources
Download Datasheet(PDF)
Inquiry Now
Description
Description
Product Parameter
*Line scan and large format lenses need to be matched with adapter rings and extension rings according to the camera sensor size, camera mount thread size and shooting field of view. Please contact our sales staff to confirm the parameters. Thank you!


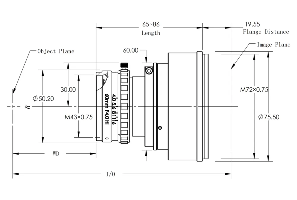
Dimensions
