GO TO TOP CONTACT US

Products

JC-CTH380492-M58-180

180mm±3% | 0.492X | F8-F51 | 3.6-23.3mm – Line Scan Bi-Telecentric Lens


 

Features

  • Designed for high-speed and high-precision industrial detection needs
  • Double-sided telecentric design eliminates perspective errors during line scanning
  • Ultra-low distortion, large target surface adaptation, uniform illumination
  • Anti-vibration structure, multi-interface adaptation, strong compatibility

 

 

Suitable for lithium battery manufacturing, printing inspection, metal processing and other industry applications.

 


 

Resources
Download Datasheet(PDF)

icon-stp-20 Drawing Data(STEP)

 

 

Inquiry Now
Share:
Description

Description

Product Parameter

 

Model No. JC-CTH380492-M58-180
Optical Structure Bi-Telecentric
Magnification 0.492X
Object FOV Φ77.2mm
Image FOV Φ38mm
Working Distance 180mm±3%
Telecentricity <0.03°(0.06°)
Depth of Field 3.6-23.3mm
F No. F8-F51
Resolution 10.7-68.1μm
Image MTF >0.3@130-20lp/mm
Optical Distortion <0.060%(0.100%)
Measurement Range Sensor Size Sensor Size FOV Range
71M 31×22 63.0×44.7mm
2” 23×23 46.7×46.7mm
4/3” 18×13.5 36.6×27.4mm
1.1” 14.2×10.4 28.9×21.1mm
2K Line Scan 2048×10μm 41.6mm
4K Line Scan 4096×7μm 58.3mm

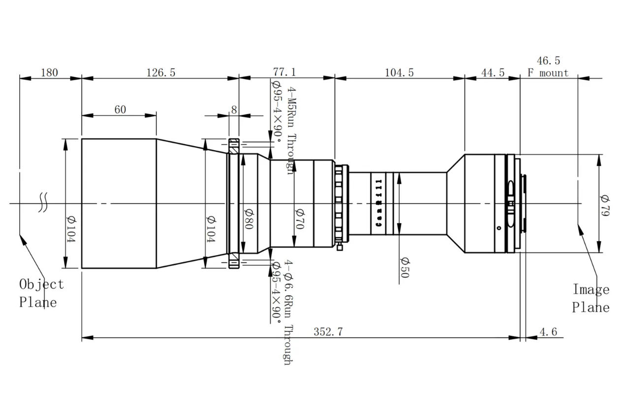
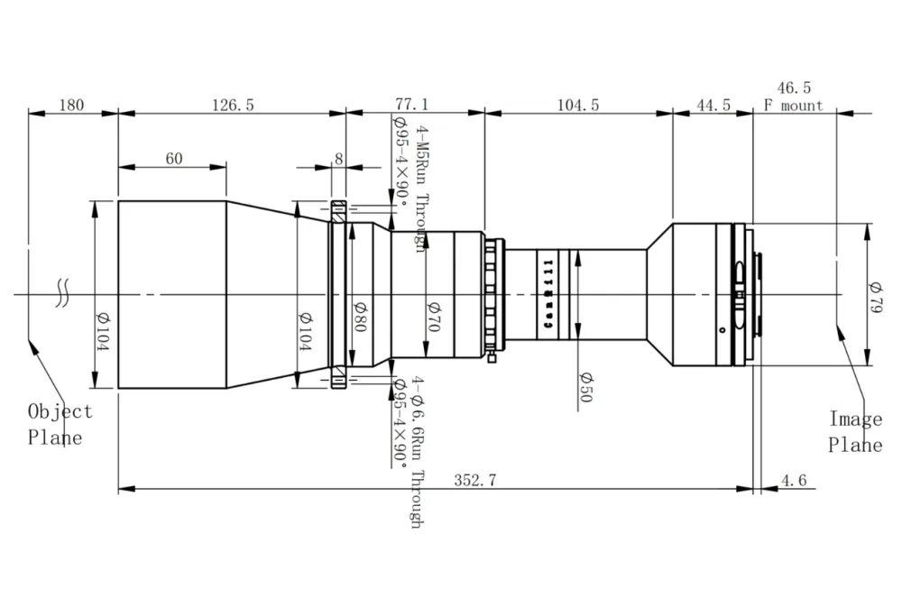
Dimensions